Rail de techo para iluminación de estudio con pantógrafos 2m

JQ01200 - 01
Referencia: JQ01200
Fabricante: Varios C
Peso: 2,02 Kg
Stock: Disponible
43,57 €
IVA incluído

Description

Especificaciones

  • Rail de techo de 2m pensado para ampliar un sistema de railes de techo, para montar un sistema de iluminación profesional.
  • Debe utilizarse como ampliación de las referencias #JQ0x.
  • El carril puede ser utilizado como rail de techo o como rail móvil.
  • Se suministra con 4 tornillos de final de recorrido.
  • Adicionalmente se pueden adquirir uniones articuladas con rodamientos si se desea utilizar como rail móvil (referencia #JQ22).

Descripción

Rail de techo de 2m pensado para ampliar un sistema de railes de techo, para montar un sistema de iluminación profesional. Debe utilizarse como ampliación de las referencias #JQ0x. El carril puede ser utilizado como rail de techo o como rail móvil. Se suministra con 4 tornillos de final de recorrido. Adicionalmente se pueden adquirir uniones articuladas con rodamientos si se desea utilizar como rail móvil (referencia #JQ22). Opcionalmente se pueden adquirir placas de fijación para rail de techo (referencia #JQ21).

Medidas y pesos

  • Peso bruto: 2.02 kg
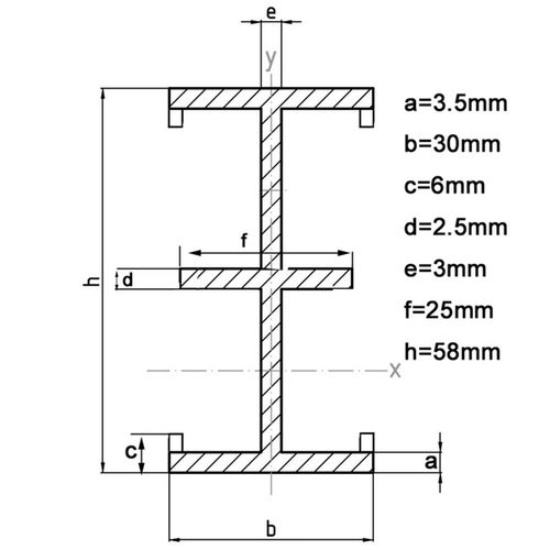
  • Medidas del producto (ancho x profundidad x alto): 200.0 x 6.0 x 3.0 cm
  • Número de paquetes: 1
  • Medidas del paquete: 200.0 x 6.5 x 4.5 cm
  • Master-pack: 1